>ECI1000 Motion Control Card (Pulse)
>ECI2000 Motion Control Card (Pulse / EtherCAT)
>ECI3000 Motion Control Card (Pulse / EtherCAT)
>PCI EtherCAT PC-Based Motion Control Card
>PCIe EtherCAT PC-Based Motion Control Card
>Free Vision & Motion Development RTSys
>VPLC532E Vision Motion Controller
Home / News / Product News

With the teach pendant help, it is more convenient to do motion control and debugging on the industrial site. But most of traditional teach pendants are heavy (the weight > 1KG), which means you need to hold it by both hands, you will feel tired after one certain time, and if there are some other tasks, especially emergency one, it becomes inconvenient , hard to process immediately.
Then, Zmotion technology researches and develops one portable teach pendant that is with touch screen by network, which is mainly for our motion controllers that support HMI function.
The model is “ ZHD301X ” (https://www.zmotionglobal.com/pro_info_305.html).


Zmotion aims to design this ZHD301X teach pendant to be lightweight and ergonomic , the truth does.
ZHD301X weight can be ≤0.6kg only after optimizing the hardware structure layout and the shell material design. Synchronously, it integrates showing, touching, with button operation. Then, one hand is enough to complete all these operations.
What’s more, no need to worry about the quality. It passes 1m drop test and standard industrial protection test, that is, it is not only small, but also durable .
Therefore, compared to traditional teach pendant, ZHD301X makes your machine operation more flexible and convenient, makes you feel more comfortable. It extremely suits to operate, debug, and maintain small industrial robot, industrial automatic equipment, teaching experiment, etc.
--ZHD301X Appearance & Dimension--

--ZHD301X Basic Parameter--

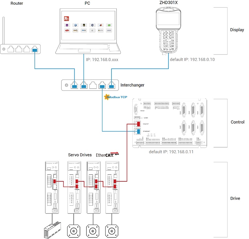
--ZHD301X Wiring Reference--

[ ZHD301X Core Design Advantages]

Whole machine volume is smaller about 30%, weight is less about 50%.


With anti-slip bumps on both sides and a reasonable center of gravity design, you feel better during long-term operation, it is easy to hold and can be controlled with one hand.


The operation can be promoted because you can operate by touching and pressing physical keys, and there is one U disk interface, which can directly upgrade ZAR program, import & export controller data, execute file 3 file.

[ZHD301X Core Design Advantages]

Rich HMI Development Tools
ZHD301X should be used with Zmotion HMI motion controllers. They both can be developed by Zmotion software RTSys, the corresponding programming languages are RTBasic and RTHMI. Between them, design the interface through RTHMI algorithm. There are many HMI components you could add into each window, like, vector graphic, button, slide, alarm, input, etc.

In addition, you could import customized graphics, design unique interface and layout.

Please check “RTHMI Programming Manual” for details.

Convenient Debug & Easy to Use
After interface deigning by RTHM and program editing by RTBasic in RTSys, you also can use RTSys to bind real-time data, do interaction logic control, and switch multi-interface. That is, when the program is downloaded into ZHD301X, corresponding actions can be known and operated by ZHD301X directly, like, running state, motion parameters, alarm situation, tracking and debugging, and so on.
Obviously, on-site operation becomes more flexible and more convenient through intuitive graphical display.
